Advanced Loudspeaker Application Development Project

Multiple-Degree of Freedom Cavity Resonator System

Project MCAP-CR



Google Search words inside this web site.

Wide-Range Loudspeaker System with 5" Full-Range Drivers
TR130e (18mm thickness plate) & TR130e2 (15mm thickness plate)
Uploaded: 2012/11/24
Recommended Models by Author!

Home
Contents
  1. Simulation Overview
  2. Design Details
  3. Bill of Materials
  4. Manufacturing Process
  5. My Impression
  6. Brother Model TR130e2 (Feastrex Nf5-Ex driver installed)


I have tested a number of MCAP-CR applications and made sure that MCAP-CR is very practical and useful application.
On the other hands, I have not yet found the best design MCAP-CR scheme.
In order to analyze MCAP-CR applications, frequency response and phase simulations have been done using custom made programs.
Simulation program has been well-developed, so that I designed one simple MCAP-CR model based on result of analyses.

TR130e
Tangband W5-1611SA

TR130e2
Feastrex NF5Ex
News
Base Technology
MCAP-CR family
Pipe Resonator Family
Technical Documents
Simulation Software
Application Reports
Sample Drawings
Community and Support
Archives
Blog
About
Japanese
 

1. Simulation Overview

Simulation argorithm is as follows:
  1. Develop diference form of  quations of motion of forced vibration.
  2. Set initial condition and force driver membrane vibration(sine, sweep, and random waves were tested).
  3. Calculate displacement of each mass then calculate velocity of each mass.
  4. Calculate weighted summation of each mass, assuming sound pressure is propotional to moving area.
  5. Apply Fourier Transform to velocity vector.
  6. Convert velocity to pressure then convert to dB unit.
Reference documents and preliminary source code (not including Fourier Transform) will be found here.

Above mentioned program will estimate peak and dip frequencies.
Complete source code written in C (and C++) including Fourier Transform will be published in 2013.

Results of analyses did not completely match simple method of estimating characteristic frequencies (reference).
We do not chose only one of them but use both simulation program and simplified apploach.

I used simplified approach first to find possible design and applied simulation program for further analyses.


2.Design Details

Two different drives were selected to test with this new design. One is W5-1611SA and the other is W5-1880. They are both Tangband made.
Design of the enclosure TR130e is given in the following table.

Model TR130e Design
Chamber Capacity[Litre] Ducts Notes
Cross-sectional Area[cm2] Length[mm]
Main
10
-
-

Sub #1 8
19.6
36
Internal duct
12.6
90
External duct
Sub #2
12
19.6
54
Internal duct
12.6
110
External duct
Sub #3
14
19.6
70
Internal duct
12.6
142
External duct

Target low-end frequency was set approximately 33Hz.
Simplified calculation estimates characteristic frequency as 37, 45, 61, 80, 95, and 135 Hz, while simulation showed peak responses at 31, 57, 83, 94, and 199Hz.
Simulation result showed small local peaks in 33-35Hz, 61Hz, 63Hz, 68Hz, 70Hz, 87Hz, 99Hz, 106Hz, 121Hz, and so on.
You will see this simulation result below. Please note that damping effect is ignored and vibration is given in "force", so that absolute values have no meaning.



Simplified approach is practical, but not exact; however, practicalness is very important to begin with.
"Exact" (not completely exact) approach is not very practical, but will show more detailed moves.
We will consider both results.

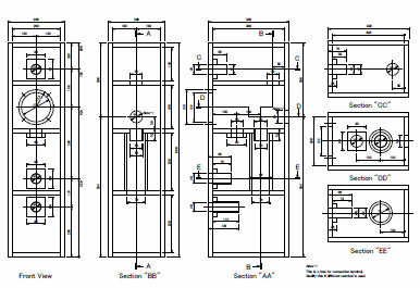
Assembly Drawing and Cutting Plane (Click and enlarge drawings)
組立図 切断図


3. Bill of Materials
Materials
Qty
Usage
Notes
Plywood: Approximately 1200mm\D72400mm\D718mm
1/pair
Structure

Paper pipe 40mm (I.D.) \D7 1mm(Thickness) \D7 1m(Length)
1/ 2 pair
External duct
This is not standard size. We need to find similar size or create right size of similar pipe.
Paper pipe 50mm(I.D.) \D7 1mm(Thickness) \D7 1m(Length)
1/ 2pair Internal duct
See above.
Paper pipe 96mm (O.D.) x 76mm(I.D.) 1m for 2 pair
Tunnel between main chamber and 3rd subchamber
See above.
[RIT SELECT] RIT-CC1/P
2/pair
Connection terminal
Use available one instead, if same one is not found.
Wire
1m
Internal wiring
1.25 SQ-mm wire is enough (15AWG is enough)
Fullrenge driver
2 /pair

W5-1611SA or W5-1611SAF is recommended.


4. Manufacturing Process

Pre-drill holes for screws or nails in order to save time to assemble as the following photo. This is not required if you have enough time to wait for grew to dry.



Pre-assemble ducts.
Hole diameter of flange be 0.5 - 1mm larger than duct's outside diameter.
Loop and paste paper around duct to adjust size. This process will make it easier to assemble.
It is recommended to coat water-solvent clear paint to paper ducts after connected to flange, in order to prevent wear in the future.
Plate flange is essential to prevent being broken by humanbeing: everyone will handle the loudspeaker system inserting finger to ducts.


Tunnel duct (largest one) should be previously sticked to 3rd subchamber. This will make final assembly easier.


Make internal structure first. We may use nails, if we do not have enough number of clamps.
This should be done the most carefully. This is very much complicated and easy to make mistakes.


Internal structure became visible. Gluing surface must be ground down to very flat using sand paper. Unevenness must be less than 0.1mm.


Pasting side plates with short clamp then stracture became complete. Because overall width was designed smaller than 10 inches, shortest clamp became enough to pase side plate. Width of 10 inches or shorter is recommended for easy assembly works.



Coating 3 layers of thinned clear lacquer and after being dried, then removing surface using #600 paper sander, finally it was finished by lacquer  spray. Back side was left uncoated.


Now complete.
Left one: with W5-1511SA.
Right one: with W5-1880.

Two pairs were manufactured at the same time.



5. My impression

Regenerating sinusoidal wave, it was made sure 40Hz and higher frequency has enough response, on the other hand range approximately 100 - 150Hz does not have strong response. It may be effect of small listening room or due to design.
It satisfies my preference. Low end frequency was approximately 33Hz. 33Hz is not nocessary for most cases, but sometimes necessary to hear pipe organ music.

Subway noise, recorded in "Walts for Debby" by Bill Evance was strongly regenerated. I have never dreamed of subway noise in this CD.

My choice was W5-1611SA rather than W5-1880. W5-1880 is expensive model, but its strong character in high frequency did not amuse me. W5-1611SA has proven enough performance to me.



6. Brother Model TR130e2 (Feastrex Nf5-Ex installed)


 Since TR130e interested me very well, I made another similar model, named TR130e3. It is 15mm thickness plate version. The reason why I used 15mm plate was that it was availble as outlet material.

 Design of TR130e2 is almost same as TR130e. There are small changes, but essentially the same model.


NF5-Ex is exciter model and it is proud of clear sound. It is extremely expensive but recommended for music lovers.

 Exciter model requires external terminal for exciter voltage. Please refer to bill of materials for non structure parts and refer to the following table for exciter connecter part.

Exciter Connecter Parts
Part Name
Catalogue Number
Qty
Note
Receptacle
HS16R-3(71)
2
HIROSE ELECTRIC
Plug
HS16P-3(71)
2
HIROSE ELECTRIC

Here are drawings of TR130e2 model:

Assembly Drawing
Cutting Plan

This became my main loudspeaker system. I feel it wonderful.

Other Fieastrex Models are here.


  MCAP-CR is patented by Japan Patent Office (patent# 5083703).
  It is not for commercial use without contract.
  Try one of applications and make sure that MCAP-CR is good for highest-end applications, if you are interested in commercial use.

  This is personal small laboratory. Any kind of financial assistance is appreciated.
 
  Contact me at: mcapspeakers@gmail.com .

  Author: Shigeru Suzuki

Ads will be opened as new window or tab.